Homemade simple electromagnetic wave receiver

I remember reading an article about the safety of microwave ovens. I decided to visit a physics professor at a well-known university in the United States. He explained that it's nearly impossible for microwaves to leak out of a microwave oven because the appliance is essentially a sealed metal box with only one opening—the door. This door has a metal mesh, which is much smaller than the wavelength of the microwaves used inside (around 12 cm). According to electromagnetic wave theory, waves cannot pass through holes that are smaller than their wavelength. However, in reality, the metal isn't a perfect conductor, and the power generated by the microwave is quite high—often hundreds of watts. So, there's always a small amount of leakage.

Recently, I came across an article describing how to build a simple microwave receiver to detect these leaked electromagnetic waves. The device is surprisingly straightforward but demonstrates several key physical principles. I decided to make one myself, as shown below.

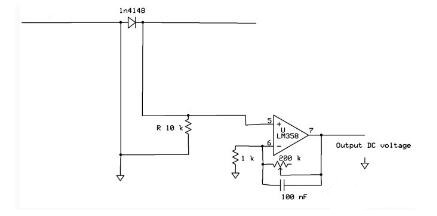
The receiver consists of a simple dipole antenna. In the center of the antenna, a high-frequency diode (1N4148) is used to rectify the signal, converting the microwave frequency into a quasi-direct current. This DC voltage is then amplified using an operational amplifier, typically around 100 times. Finally, a multimeter measures the resulting DC voltage. The reason for converting the signal to DC is that directly measuring microwave signals would require expensive equipment.

Here’s a diagram of the circuit:

To further improve the signal, another stage of amplification can be added using an LM358 op-amp. A 100nF capacitor in the circuit helps to filter the rectified signal, making it more stable and easier to measure.

That's all! Now, you can place the device near a microwave oven to detect any leaked microwaves.

Before turning on the microwave oven:

After starting the microwave oven (note that a cup of water should be placed inside to absorb the microwaves and prevent damage):

Interestingly, this device can also detect electromagnetic waves from mobile phones. However, the radiation from a phone is much weaker compared to the leakage from a microwave oven. People tend to be very concerned about phone radiation, yet they often overlook the fact that microwave ovens are actually a more significant source of microwave exposure in daily life.

Pre-record sound chip

Sound module,Recordable sound module:


Ningbo AST Industry Co.,Ltd has 17 Years Experiences to produce the Recordable sound module, sound module, sound chip, voice module, recordable sound chip,Musical module and other electronic modul. we can assure you of competive price,high quality,prompt delivery and technology supporting.


1. Sound Module Application:


Sound Module is one kind of electronic product which mainly applied for Greeting cards,Christmas cards, promotion gifts, kids books, newspapers, magazines or other products which have sounds.


2. Sound Module Classification:


We can produce different sound modules which have different functions:


A. Pre-record Sound Module ----The clients will provide their sound files to us as MP3 or Wav Format,Then we programme them into the Sound module,it will play the customized message.

The sound file can be from 1second to 480seconds


B. Recordable Module ---also called Self-recording sound chip,we can record our own messages and playback them. Of course,the message can be erased and re-recorded.

Recording time:6seconds,10seconds,20seconds,30seconds,60seconds,90seconds,120seconds,180seconds etc



C. Melody module --Which can play the Melody of the Happy Birthday,Merry Christmas,Slient Night and so on.


D. USB MP3 Module ---We Can download the songs,musics,sentences,voice,advertising language from PC directly. Which support SD Cards,TF Cards,U Disk and FM.LCD Display also can be made


E. Programmable Voice Module --Also can be called DIY Sound Chip,We provide the software and Programable Machine and the Clients can be programmed them at their office,factory or Home. Which is much suitable to small order quantity,but Prompt delivery order.


F. Waterproof Music Module --which usually are used by Children Cloths,Kids'Bib ,attract the children's attention or Sing the children's songs.


3. Sound Quality:Clearly and Loudly ( 16Khz Sampling Rate)


4. Activated way:


1) Pull String -- Pull the string to activate the sound.

2) Slide tongue,usually was used by greeting cards,open the cards,it will play the message automatically.

3) Push buttons--press the button to play the message/audio/music

4) Light sensor,usually was used by Gift box,newspaper. Open the Box or newspaper to play the message

5) vibration sensor,Move or shake it to play the customized audio

6) shadow sensor,if somebody walks front it,it will play the message.

7) Motion sensor,usually was used by Pop Display, advertising board and so on.when somebody walks front it,it will play the message.

8) PIR (Infrared sensor),usually was used by Pop Display, advertising board and so on.when somebody walks front it,it will play the message.


5. Long Lifespan


6. Speaker:21mm,27mm,29mm,36mm,40mm,57mm etc. Plastic or Metal


7. Battery:AA, AAA, AG13, AG10, AG3 and so on environmental


8. PCB available: customize size or our existed standard size


9. PCB:Customized Size (OEM or ODM) or our existed standard size


10. Certification:CE ,Rohs


11. Export to: USA, UK,Canada,Germany, Turkey,Russia,Poland,Switzerland,Netherland ,Frence Hungary ,Australia,New Zealand, Brazil, Columbia,Argentina,Thainland,Singapore , Malaysia and so on



Activation Sound Chip, Motion Sensor Sound Module, Pre-Record Sound Chip

AST Industry Co.,LTD , https://www.astsoundchip.com